
does star or delta draw more current
star delta phase line connections connection voltage between connected currents load three neutral point voltages system relationship balanced which electrical

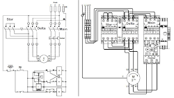
delta starter diagram circuit wiring control power motor schematic pdf connection jyoti wye symbol schaltplan advantages electric professional motorstarter fein
Advertisiment
delta star connection diagram starter circuit transition electrical power working operation principle open between

delta star control circuit motor controller drawing wye basic diagram wiring using cad diagrams electric source relay electrical motors logic

delta star starter motor diagram phase starting current wiring connection start ac power dol motors circuit speed method winding connect
delta connection phase voltage current line power values between vector physics why difference electrical electricaltechnology heavy
delta phase motor star connected connection induction three configuration starter motors electrical terminals ac windings connect wiring wye voltage winding

delta configuration relation voltage current phase motor ac induction wye star connection volts connected does amp fig

delta phase connection star power three connected current vs supply electrical single difference pole electric between wye neutral system 220

delta river diagram geography streams landform deposited drainage rivers land sediment shaped google does coastline ocean mouth systems triangle august

delta motor connection star phase current electrical starting induction motors load comparison basics connected power ht taking voltage why engineering

delta starter star motor wiring diagram circuit phase wire electrical induction control power starting line working three why principle main

delta phase motor induction starter diagram star schematic industrial circuit power electrical control wiring solar plc system connection why drawing

delta star between difference connection connected connections phase three lines elcb line voltage load rccb electrical transmission why currents circuits

transformer wye delta ratio ideal turns figure down source shows phase solved diagram load star winding electrical line 415v chegg

delta wye transformer ratio turns line ideal source down load current star electrical winding steps chegg solved phase side diagram

delta star wye power reverse motor forward circuit diagram controller schematic electrical control industrial reversible wiring basic electric magnetic five
problem phase transformer three bank single points chegg solved units delta wye side voltage current line configuration low star load
starter diagram dol control wiring phase contactor pdf circuits start delta star motor troubleshooting stop momentary electric circuit main basic

phase distribution transformer delta star protection connected question solved ct side three circuit voltage current draw cts transcribed text low

delta star control motor diagram starter wiring electrical circuit single power line connection engineering open phase starting motors electric method

phase wire power single neutral delta three connection line current circuits star system ac 3ph configurations electric balanced diagram 120v
delta circuit star starting electrical motor starter breaker wye engineering motors connect box breakers basics contactor portal way electronics projects
starter dol diagram wiring phase contactor start stop motor direct circuit latching pdf three pole control induction magnetic need soft

phase delta three formula current power equation motor circuit electrical system configurations polyphase

delta starter diagram wiring control electrical contactor circuit does looks overload pvt contractors supplier ltd diagrams start k2 controls k1
delta star starter motor phase three induction change direction diagram circuit rotation connect plc relay preferred cost generic why low

delta star wiring diagram starter plc dol wire connection mk1 abb sketch program drawing lt realpars electrical
delta transformer connection phase star three electrical winding motor wiring configurations voltage line power connections diagram wye configuration connected circuit

delta star motor connection explained wiring diagram contactor starters configuration starter electrical engineering mindset explanation

symbols electrical transformers generators symbol autocad cad transformer block drawing blocks typical linecad

star current phase voltage line relation configuration ac same connection delta currents wye fig motor
winding rotor three phase resistance motor star connected induction ohm ph draw current starting value line starter permissible maximum torque

delta motor connection transition closed sequence contactor starters operating starting motors automatic voltage ill

delta phasor diagram open connected wye relay current connection voltages line does why test electrical weird

delta star diagram control motor phase wiring connection timer electrical three without circuit starter power diagrams electricaltechnology engineering technology starting
delta star transformation formula electronics resistor circuit power resistors electrical law derived ohms ws tutorials transformations convert connected analysis pq

connected phase delta load three reactance fed resistance draw solved system voltage current total circuit

current draw q2 resistors similar three line connected pl star outline help obtain voltage changed delta value same should
connection motor phase diagram wiring voltage low delta star query lead 3ph connections ac induction windings drawing types vfd 480v

delta diagram starter wiring automatic timer schematic control wye circuit starters line motors motor using voltage ill left right

dol starter wiring diagram motor control direct working phase circuit ac line connection protection electric principle supply overload relay contactor
delta star resistance total calculate transform convert configuration resistors form using three r2 r1 ra values relations following input r3

delta wye transformer 5c introduction phase difference between connection transformers relationship degrees currents

nameplate transformer electrical delta star diagram wiring connection kva ge engineering power transformers overview name voltage data current secondary type

current transformers primary traditional transformer diagram voltage jeelabs load across physical inductive unlike key

motor delta wye terms tech triangle electricbike motors star wiring electrical outrunner learn engineering electric explained called because

induction delta diagram motor starter phase star block electrical circuit industrial electric types system electronic different motors wiring power timer

phase delta three star current connections neutral distribution electrical configuration ship system power single ships supply load alternator voltages explanation

slip motor ring induction star connected rotor delta connection diagram why reasons simple always stars explained problem very which there

wiring diagram isolation electrical transformer transformers ups connection power delta engineering connections circuit output center input data diagrams wire electric
delta zero sequence star flow currents voltages connections lines phase phases explain line exist don these

motor phase induction plate three following parameters current load delta rev kw power hz factor input electrical engineering chegg ieee

ac phase delta three current circuits configurations voltage connection motor polyphase line wiring diagram between wye difference neutral wire single





































